Для пользователей:
 Имя пользователя:
 Пароль:
 Запомнить меня 


Реклама на сайте:
 
 

 

Сейчас с нами:
 
 

 

Поиск
 Поиск по сайту:

 Поиск в этой теме:  Поиск по форуму:

     Быстрый переход:  Начало сайта  /  Список форумов / Форумы: / Эксплуатация и ремонт / Двигатель, сцепление     

Правила форума

Прежде чем задавать вопрос в новой теме в этом форуме и его подфорумах посмотрите нет ли ответа в форуме Отчеты и FAQ. Так же вопользуйтесь поиском по форуму или расширенным поиском.
Если ответа не нашлось проверьте заполнен ли профиль (информация о годе выпуска вашей Ауди, модели двигателя, и варианте комплектации) и создавайте тему.
СОЗДАНИЕ ТЕМЫ С ВОПРОСОМ В ЭКСПЛУАТАЦИИ И РЕМОНТЕ С НЕЗАПОЛНЕННЫМ ПРОФИЛЕМ БУДЕТ КАРАТЬСЯ!!!
При создании темы обязательно кратко изложите суть проблемы в заголовке. Пожалуйста не создавайте темы "Спасите", "Помогите", "Все сломалось" и т.п. это не привлечет на помощь всех аудиводов, зато огорчит модераторов...
Постарайтесь выбрать тематический подфорум соответствующий описываемой проблеме - если не удалось точно локализовать проблему или такого подфорума нет - то создавайте тему в самом форуме "Эксплуатация и ремонт".

<<     У кого ABK?     >>


pashan:
Павел Устенко

Дубна
Аватара пользователя
Сообщений: 268
Зарегистрирован:
10 май 2010, 12:37
#1     У кого ABK? 27 ноя 2011, 20:52

Гляньте у себя пожалуйста, куда идут 2 тонкие вакуумные трубки с корпуса воздушного фильтра? Ну то-есть, куда - понятно. Не понятно куда верхняя, а куда нижняя... Отключил от фильтра и не запомнил :cry:
[ наверх ]  [ ссылка ]
nikell23:
Юрий Чмиренко

Днепропетровск
Аватара пользователя
Сообщений: 4085
Зарегистрирован:
26 апр 2010, 20:42
#2     Re: У кого ABK? 27 ноя 2011, 21:12

Павел, трубки должны идти так, на латунный штуцер термоклапана от заслонки горячий холодный воздух . На пластмассовый штуцер термоклапана должна идти трубка от впрыска!!! Я так тебя ориентирую потому что, черт его знает как там у тебя стоит этот термоклапан!!! Я вот свой на промывку вынимал, вставил его как попало, его положение до съема, даже не запоминал, нет смысла. Главное это латунный и пластмассовый штуцера. Сними резиновые уголки (если сохранились) со штуцеров и срарзу все увидишь!!!
[ наверх ]  [ ссылка ]
зануда:
Сергей М

Санкт-Петербург
Сообщений: 405
Зарегистрирован:
29 апр 2009, 22:41
#3     Re: У кого ABK? 27 ноя 2011, 21:13

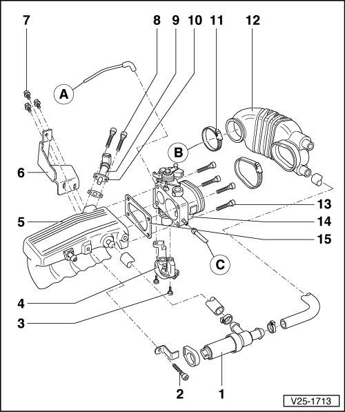
http://www.audi-club.ru/forum/showpost. ... tcount=263 (картинка)
Подробно в теме
http://www.audi-club.ru/forum/showthrea ... E8&page=72
Блин...ссылки не работают



 Вложения:
V25-1713.jpg
V25-1713.jpg [ 43.14 КБ | Просмотров: 4213 ]
V25-1714.jpg
V25-1714.jpg [ 43.59 КБ | Просмотров: 4216 ]
[ наверх ]  [ ссылка ]
pashan:
Павел Устенко

Дубна
Аватара пользователя
Сообщений: 268
Зарегистрирован:
10 май 2010, 12:37
#4     Re: У кого ABK? 27 ноя 2011, 21:23

Сергей, Юрий, спасибо вам, а то я и так и так вставлял, а разницы никакой. :D
Сергей, а откуда такие картинки?
[ наверх ]  [ ссылка ]
зануда:
Сергей М

Санкт-Петербург
Сообщений: 405
Зарегистрирован:
29 апр 2009, 22:41
#5     Re: У кого ABK? 27 ноя 2011, 21:42

Тема есть на ауди клубе про дигифант, там всё...Не могу ссылку вставить почему то, ошибка получается...
[ наверх ]  [ ссылка ]
pashan:
Павел Устенко

Дубна
Аватара пользователя
Сообщений: 268
Зарегистрирован:
10 май 2010, 12:37
#6     Re: У кого ABK? 27 ноя 2011, 23:09

Юрий, только что сходил к машине, чтобы все перепроверить. юмор в том, что у меня оба штуцера пластиковые. снизу корчневого цвета, сверху - черного. умом я понимаю, что коричневый скорей всего - для горячего воздуха, но доказательств нет. как проверить - не знаю. пока воткнул так. хоть это и противоречит рисунку. или я опять что-то не правильно понял? что вы называете заслонкой? дроссель или круглую хреновину под номером 2 на нижней картинке?
[ наверх ]  [ ссылка ]
pashan:
Павел Устенко

Дубна
Аватара пользователя
Сообщений: 268
Зарегистрирован:
10 май 2010, 12:37
#7     Re: У кого ABK? 27 ноя 2011, 23:10

сергей, а как тема называется? может я поиском ее найду?
[ наверх ]  [ ссылка ]
nikell23:
Юрий Чмиренко

Днепропетровск
Аватара пользователя
Сообщений: 4085
Зарегистрирован:
26 апр 2010, 20:42
#8     Re: У кого ABK? 28 ноя 2011, 00:10

Павел,
pashan писал(а) :
круглую хреновину под номером 2 на нижней картинке
правильно понял, круглая хреновина это вакуумный привод заслонки, которая переключает холодный-горячий воздух. Если оба штуцера темные тогда давай так. Сверху на этом термоклапане есть кругляшка с латунной гайкой с отверстием, эта гайка находится в центре кругляшки, Так вот, тот штуцер, который находится под этой латунной гайкой (получается под кругляшкой, должен идти на впрыск, ну а соответственно другой на заслонку горячий-холодный. Кстати я думаю чтотот другой штуцер (который не под кругляшкой), все таки должен быть латунный, попробуй его поцарапай, должен увидеть что это металл а не пластик.
[ наверх ]  [ ссылка ]
pashan:
Павел Устенко

Дубна
Аватара пользователя
Сообщений: 268
Зарегистрирован:
10 май 2010, 12:37
#9     Re: У кого ABK? 28 ноя 2011, 00:24

ага, спасибо, попробую!
[ наверх ]  [ ссылка ]
зануда:
Сергей М

Санкт-Петербург
Сообщений: 405
Зарегистрирован:
29 апр 2009, 22:41
#10     Re: У кого ABK? 28 ноя 2011, 09:25

Павел, тема называется "B4 ABK Digifant - Дергается. Поиск бага...", там много страниц и многа букав)))), этот клапан зима-лето обсуждают где то со страницы 73
[ наверх ]  [ ссылка ]
 [ Сообщений: 11 ]  На страницу 1, 2  След.

Показать темы за:      Поле сортировки     
Перейти:   
Вы не можете начинать темы
Вы не можете отвечать на сообщения
Вы не можете редактировать свои сообщения
Вы не можете удалять свои сообщения
Вы не можете добавлять вложения

Яндекс.Метрика
Powered by phpBB © 2000, 2002, 2005, 2007 phpBB Group
Русская поддержка phpBB